Qorvo QPC7337PCBA Evaluation Board
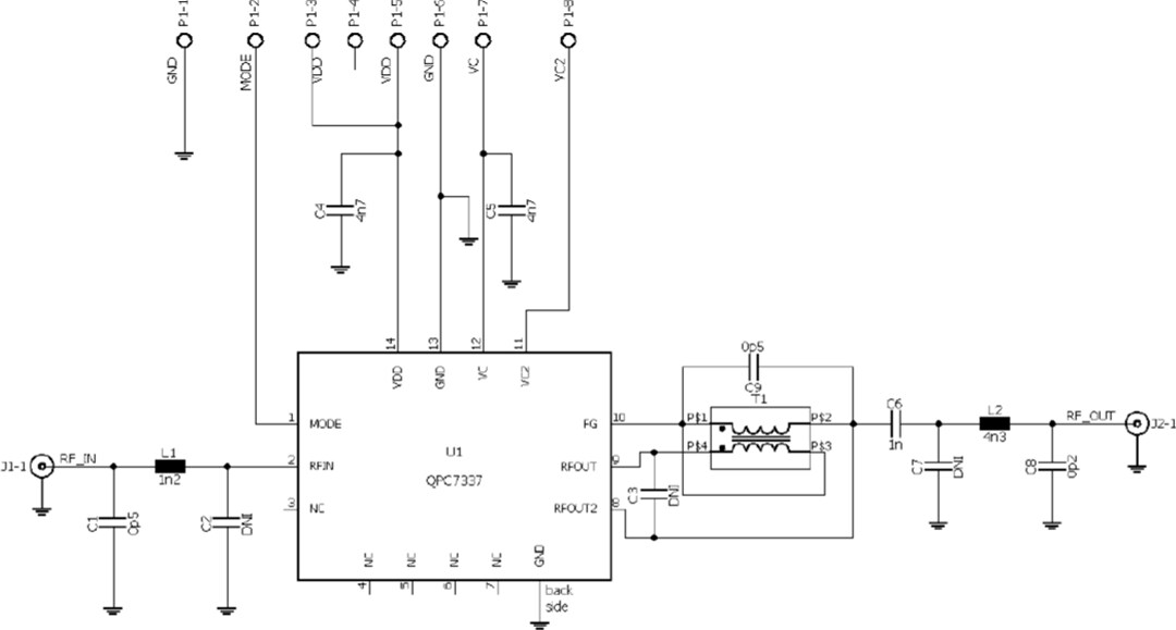
Qorvo QPC7337PCBA Evaluation Board is a demonstration and development platform for the QPC7337 Voltage Variable Equalizer. The QPC7337 is optimized for DOCSIS 4.0 ESD Downstream path applications between 284MHz and 1794MHz. The QPC7337 features a 17dB slope range, low insertion loss, high linearity, and 75Ω impedance for CATV applications. The device operates from a 5V single power supply voltage and a low 3mA supply current.The Qorvo QPC7337PCBA Evaluation Board features a pre-mounted QPC7337 in a compact 14-pin Multi-Chip Module (MCM), along with support circuitry and two 75Ω F-connectors for RF in and RF out. The Evaluation Board provides an example application circuit, allowing rapid prototyping when incorporated into existing designs.
Schematic
Published: 2021-08-18
| Updated: 2022-03-11
