RECOM Power RBB10-2.0-EVM Evaluation Board

RECOM RBB10-2.0-EVM Evaluation Board is an evaluation platform for RBB10-2.0 buck/boost regulators. The RBB10-2.0 evaluation module generates a regulated output voltage with a current up to 4A from an external DC supply. This DC supply can be higher, lower, or the same as the set output voltage. The RBB10-2.0 evaluation board provides an output voltage that is preset to 3.3V or 5V but can be adjusted between 1V and 5.5V. This is done using onboard resistors. The RBB10-2.0 evaluation board features easy evaluation of modes, trimming, enable, and sensing function of the RBB10-2.0 modules. Typical applications that can be evaluated includes USB voltage converter/regenerator, battery stabilizer, and supercapacitor booster.

Features

  • Evaluation platform for RBB10-2.0 buck/boost regulators
  • Input voltage lower, higher, or the same as the output voltage
  • Class B EMC filter layout
  • Built-in thermal management
  • Easy evaluation of modes, trimming, enable, and sensing function of the RBB10 modules

Applications

  • USB voltage converters/regulators
  • Battery stabilizers
  • Supercapacitor boosters
  • Low voltage regulators with sense

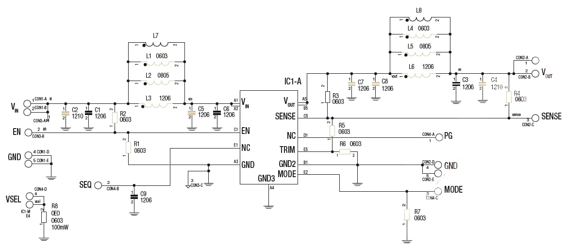
Schematic

Schematic - RECOM Power RBB10-2.0-EVM Evaluation Board
Published: 2018-10-10 | Updated: 2023-03-08