Renesas Electronics RAA306012 3-Phase Smart Gate Driver
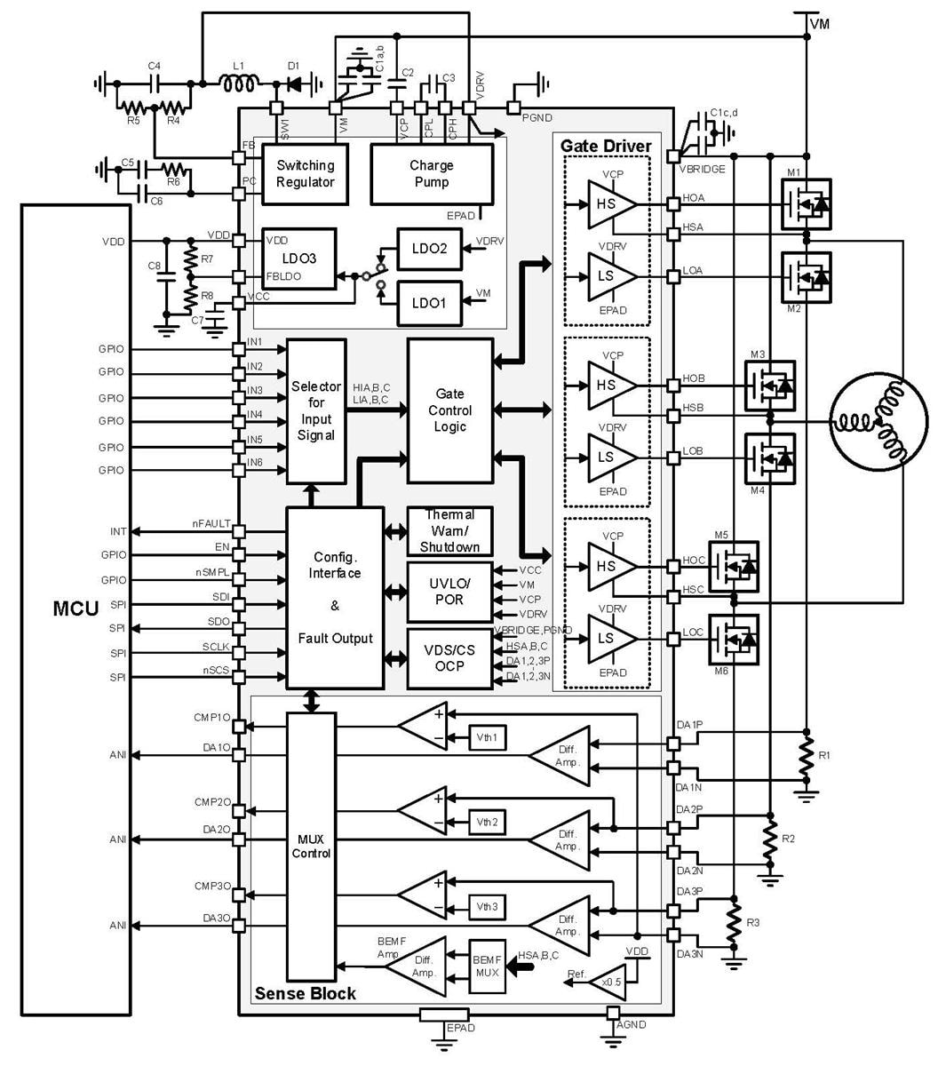
Renesas Electronics RAA306012 3-Phase Smart Gate Driver is designed for 3-phase brushless DC motor use. The Renesas Electronics RAA306012 incorporates three half-bridge gate drivers, capable of driving up to three N-channel MOSFET bridges with a voltage range of 6V to 65V. Each driver supports a 0.64A source and 1.28A sink peak drive current, adjustable via drive strength control. Adaptive dead times enhance robustness, preventing Miller effect-induced cross-conduction. The device integrates power supplies for internal circuitry, gate drivers, and a dedicated supply for external microcontrollers. Additionally, it features a low-power sleep mode, consuming only 28μA for increased battery life in portable applications.Features
- Operating power supply voltage
- VBRIDGE: 6V to 65V (78V abs max)
- VM: 6V to 60V (65V abs max)
- -40°C to 125°C operating ambient temperature
- 3-Phase gate drivers for BLDC application
- Switching frequency range up to 200kHz
- Peak 0.64A/1.28A source/sink current with 16 adjustable drive strength through SPI interface
- Adaptive and adjustable dead time
- Flexible configuration for gate driver
- 3-phase HI/LI mode and 3-phase PWM mode
- Input control signal configuration
- Support half-bridge, full-bridge configuration
- Fully integrated power supply architecture
- Two VCC LDOs allow for Sleep mode with low IQ
- 500mA buck switching regulator generates drive voltage (5V to 15V adjustable)
- 100mA adjustable output LDO for MCU supplies
- Three accurate differential amplifiers
- Four levels of sense gain setting
- Supports DC offset calibration during power-up and on-the-fly
- BEMF sense amplifier for sensorless motor drive
- Three comparators for hall sensor motor drive
- Integrated protection features
- VM over/undervoltage lockout (VM_OV/UVLO)
- Charge pump undervoltage (VCP_UV)
- Buck regulator fault (VDRV_OV/UV, SR_OCP)
- MOSFET VDS OCP (VDS_OCP)
- Current sense OCP (CS_OCP)
- MOSFET VGS fault (VGS_FAULT)
- Thermal warning/shutdown (TWARN/OTSD)
- Fault indicator (nFAULT pin)
- 7mm × 7mm 48 Ld QFN package (0.5mm pitch)
Applications
- Power tools and garden tools
- Printers
- Vacuum cleaners
- Fans
- Pumps
- Robotics
Videos
Typical Application Circuits
Published: 2023-12-05
| Updated: 2024-02-07
