Renesas Electronics SLG47011 GreenPAK Programmable Mixed-Signal Matrix

Renesas Electronics SLG47011 GreenPAK Programmable Mixed-Signal Matrix provides a small, low-power solution for commonly used analog-to-digital conversion and mixed-signal functions. A flexible data acquisition system used in conjunction with configurable logic provides a way to implement a wide variety of functions with minimal cost. The user can create a circuit design by programming the one-time programmable (OTP) Non-Volatile Memory (NVM) to configure the interconnect logic, the macrocells, and the IO pins. The Renesas SLG47011 is ideal for consumer electronics, handheld/portable electronics, industrial automation/control, personal computers/servers, PC peripherals, battery voltage/current monitoring, and power monitors.

Features

  • SAR Analog-to-Digital Converter (ADC)
    • 14-, 12-, 10-, and 8-bit selectable resolution
    • Up to 2.35Msps in 8-bit mode
    • Sampling up to 4x analog channels
    • Parallel, I2C, and SPI output options
  • Programmable gain amplifier
    • 1x to 64x gain selection
    • Differential, single-ended modes
  • MathCore - Multiplier, Adder, Subtractor, and Shifter options
  • 4x independent data buffers
    • Buffer length up to 8x 16-bit words
    • Oversampling mode (increasing ADC resolution)
    • Moving Average mode
    • Counter Capture mode
  • 4096 words x 12-bit memory table macrocell
    • Full Range mode or Two Ranges mode
    • ADC data linearization or any y = F(x) function
    • ADDR-to-DATA/Storage modes
  • 16-bit Multichannel Digital Comparator (MDCMP)
    • Sampling up to 4x independent channels
    • Static or dynamic threshold
    • Hysteresis option for each channel
  • Pulse Width Modulation (PWM) macrocell
    • 12-bit resolution
    • Dynamic duty cycle change (up to 4096 duty cycle value)
  • Width converter macrocell
    • 12-bit parallel data output
    • Optional 12x 1-bit, 6x 2-bit, or 3x 4-bit output
  • 12-bit 333ksps Digital-to-Analog Converter (DAC)
  • Selectable current source
  • Integrated Voltage References (VREF)
  • High-speed analog comparator with configurable hysteresis and reference
  • 18x combination function macrocells
    • 2x 2-bit LUT or DFF/LATCH macrocells
    • 8x 3-bit LUT or DFF/LATCH with set/reset
    • 6x selectable DFF/LATCH or 3-bit LUTs or shift registers
    • 2x 4-bit LUT or DFF/LATCH with set/reset macrocell
  • 14x multi-function macrocells
    • 10x selectable DFF/LATCH or 3-bit LUTs + 12-bit delay/counters
    • 2x selectable DFF/LATCH or 4-bit LUT + 16-bit delay/counter/FSM
    • 1x selectable DFF/LATCH or 3-bit LUTs + 12-bit delay/counter/FSM
    • 12-bit memory control up/down counter
  • SPI and I2C communication interfaces
  • Programmable delay with edge detector output
  • Deglitch filter or edge detector
  • 2x oscillators (OSC)
    • 2kHz/10kHz oscillator
    • 20MHz/40MHz oscillator
  • Analog temperature sensor
  • Power-On Reset (POR) with CRC
  • Read back protection (read lock)
  • 1.71V to 3.6V power supply
  • Operating temperature ranges
    • -40°C to +85°C for SLG47011V
    • -40°C to +105°C for SLG47011-EV
  • 16-pin STQFN package, 2.0mm x 2.0mm x 0.55mm, 0.4mm pitch
  • Halogen-free and RoHS-compliant

Applications

  • Consumer electronics
  • Handheld and portable electronics
  • Industrial automation and process control
  • Personal computers and servers
  • PC peripherals
  • Battery voltage and current monitoring
  • Power monitors

Datasheets

  • SLG47011-E - GreenPAK Programmable Mixed-Signal Matrix With Analog-to-Digital Data Acquisition System and With Extended Temperature Range
  • SLG47011 - GreenPAK Programmable Mixed-Signal Matrix With Analog-to-Digital Data Acquisition System

Videos

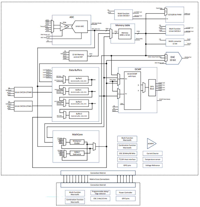
Block Diagram

Block Diagram - Renesas Electronics SLG47011 GreenPAK Programmable Mixed-Signal Matrix

Analog/Digital Blocks Combined Structure

Application Circuit Diagram - Renesas Electronics SLG47011 GreenPAK Programmable Mixed-Signal Matrix
Published: 2025-09-02 | Updated: 2025-12-30