ROHM Semiconductor White LED Drivers for Large LCD Panels

ROHM Semiconductor White LED Drivers for Large LCD Panels are high-efficiency drivers for white LEDs designed for large LCD panels. The BD9397EFV IC has built-in high current drive and high responsibility type 6-channel LED drivers and 1-channel boost DC/DC converter. White LED Drivers IC has built-in boost DC/DC converters that employ an array of LEDs as the light source. ICs have protected functions against fault conditions, such as the Over-Voltage Protection (OVP), Over Current limit Protection of DCDC (OCP), Short Circuit Protection (SCP), and open detection of LED string. These LED Drivers from ROHM Semiconductor are available for fail-safe designs over a wide range output voltage.

Features

  • BD9397EFV
    • 6ch constant LED drivers, available 400mA drive per 1ch
    • Constant current accuracy is ±1.8% (IC only)
    • Each 6ch PWM inputs can control independent dimming
    • Current analog (linear) dimming by VREF
    • 1ch boost controller with current mode (external FET)
    • Several protection functions DCDC part with OCP/OVP/UVLO/TSD LED driver part and OPEN, SHORT detection
    • SHORT detection voltage is set by LSP terminal
    • Error detection output FAIL terminal inside (normal=Open, error=Drain)
  • BD9479FV
    • 8ch LED constant current driver (external PNP Tr Type)
    • Maximum LED setting current 500mA (VREF pin setting)
    • Built-in DC/DC converter
    • Analog Dimming (Linear) function
    • Individual channel PWM Dimming function
    • LED protection function (Open Short protection) (PWM-independent Type)
    • Output short protection (OVP)
    • Built-in Timer latch function (CP)
    • Built-in FAIL indication function
    • Built-in OVP voltage Feedback function
    • Built-in PWM-independent soft start circuit
    • SSOP-B40 Package
    • Built-in under-voltage Lockout function (UVLO) and over-voltage protection (OVP)
  • BD93941FP
    • 4ch LED constant current driver and DC/DC converter
    • 200mA maximum LED current
    • 0.37V (@ADIM=2.5V) LED feedback voltage
    • Adjustable feedback voltage by following LED Current setting
    • ±2% LED current accuracy 
    • Analog current (Linear) dimming at ADIM pin
    • 60V LED pin rating
    • Individual detection and individual LED OFF for both open and short circuits
    • Built-in ISET pin short-circuit protection circuit
    • Set Soft-Start time by external capacitor
    • FET’s Gate (N pin) is driven by 5.8V swing
    • Built-in Vout discharge circuit for shutdown
    • Built-in Vout overvoltage protection (OVP)/ reduced voltage protection (SCP) circuit
    • HTSSOP-B20 and HSOP20 package with high heat radiation efficiency

Applications

  • TV
  • Computer display
  • Notebook
  • LCD backlighting

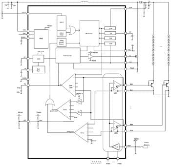
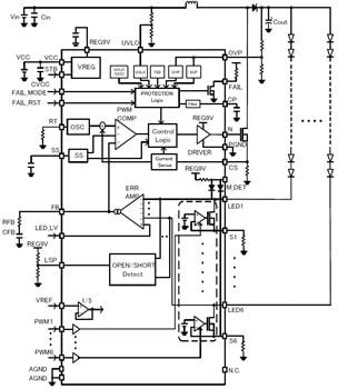
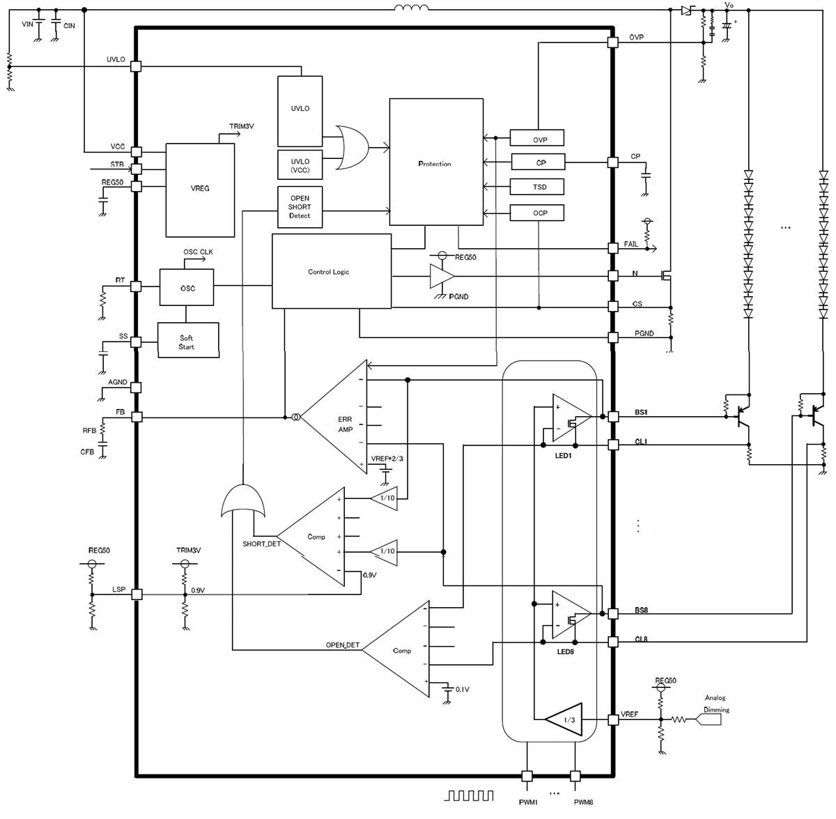
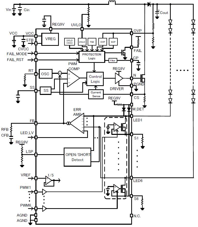
Block Diagrams

View Results ( 7 ) Page
Part Number Datasheet Package/Case Number of Channels
BD9479FV-GE2 BD9479FV-GE2 Datasheet SSOP-40 8 Channel
BD65520MUV-E2 BD65520MUV-E2 Datasheet VQFN-40
BD18364EFV-ME2 BD18364EFV-ME2 Datasheet HTSSOP-30 8 Channel
BD5291GWL-E2 BD5291GWL-E2 Datasheet WLCSP-5 1 Channel
BD65D00MUV-E2 BD65D00MUV-E2 Datasheet VQFN-28 4 Channel
BD9397EFV-GE2 BD9397EFV-GE2 Datasheet HTSSOP-40 6 Channel
BD9422EFV-E2 BD9422EFV-E2 Datasheet HTSSOP-B-40 6 Channel
Published: 2015-12-10 | Updated: 2025-01-29