Schurter 5180 IP67 Appliance Inlet Filters
Schurter 5180 IP67 Appliance Inlet Filters are compact IEC C14 or C18 power entry modules with a line filter. These Schurter appliance inlet filters can be used with V-lock power cords, achieving an IP54 protection rating when plugged in. The 5180 offers IP67 protection toward the housing when properly sealed. These appliance inlet filters are splash-proof and offer excellent protection against dust particles. The 5180 is compact with high attenuation and can be used in standard and medical applications.Features
- Compact IEC C14 or C18 appliance inlets with filter
- Screw-on from the front side
- Appliance inlet protection class I or II
- Line filter in standard and medical versions
- Available in black and white
- Ingress protection with sealing
- IP54 under load
- IP67 toward housing
- Protection class II qualified for medical applications 2 MOPP
- Suitable for applications according to IEC/UL 62368-1
- Suitable for use in medical equipment according to IEC/UL 60601-1 (1 MOOP, 1 MOPP)
- Optimal shielding due to a completely closed filter case, unpotted
- Ideal for applications with a high disturbance level
Specifications
- 1A to 10A IEC current rating range
- 1A to 15A UL/CSA current rating range
- 250VAC voltage rating
- 50Hz/60Hz frequency
- -25°C to +85°C operating temperature range
- Leakage current
- <0.5mA standard
- <5µA M5 medical
- <80µA M80 medical
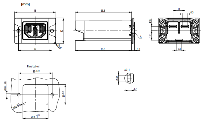
Dimensions
Schematic Diagrams
Published: 2025-10-28
| Updated: 2025-11-04
