Sensirion SGP41 CMOSens®/MOXSens® Digital Air Quality Sensor
Sensirion SGP41 CMOSens®/MOXSens® Digital Air Quality Sensor is a complete, easy-to-use sensor system on a single chip featuring a digital I2C interface and temperature-controlled micro hotplates, providing one VOC and one NOx based indoor air quality signal. The sensing element and Gas Index Algorithm feature high robustness against contaminating gases present in air-quality applications enabling unique long-term stability and low drift. Measuring 2.44mm2 x 0.85mm, the DFN packaged gas sensor enables applications in limited spaces. The Sensirion SGP41 CMOSens®/MOXSens® Digital Air Quality Sensor is designed for easy integration into air purifiers or demand-controlled ventilation systems.Features
- MOx-based gas sensor for air quality applications
- Long-term stability and lifetime (>10 years)
- I2C interface with digital output signals
- Small 6-pin DFN package measuring 2.44mm2 x 0.85mm
- Low power consumption of 3.2mA at 3.3V
- Reflow solderable
Applications
- Demand-controlled ventilation systems
- Air purifiers
- Air exchange units
- Kitchen hoods
Specifications
- Performance
- Output signal range
- 500 VOC and NOx index points
- 65,535 ticks, digital raw value
- Measurement ranges
- 0 to 1,000,000ppb Ethanol in clean air, 500ppb to 10,000ppb specified
- 0 to 10,000ppb NO2 in clean air, 50ppb to 650ppb specified
- Device-to-device variation
- <±15 VOC index points
- <±50 NOx index points
- Repeatability
- <±5 VOC index points
- <±10 NOx index points
- 0.5s to 10s sampling interval range
- Output signal range
- Electrical
- 1.7V to 3.6V supply voltage range
- 105µA maximum idle current
- 3.2mA to 6.9mA operation supply current range
- Timing
- 0.6ms maximum power-up and soft reset time, 0.4ms typical
- 400kHz SCL clock frequency
- Temperature ranges
- -10°C to +50°C operating
- +5°C to +30°C storage
- Relative humidity
- 0 to 90% operating
- 0 to 80% storage
Videos
Block Diagram
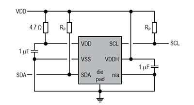
Application Circuit
Published: 2021-10-21
| Updated: 2023-03-27
