STMicroelectronics STEVAL-ISA188V1 Evaluation Board
STMicroelectronics STEVAL-ISA188V1 Evaluation Board is based on the A6986F3V3 and meets AEC Q100-qualification standards for battery-powered automotive systems. Synchronous rectification helps achieve higher efficiency at full load and application compactness. High-frequency switching (programmable up to 2MHz) helps reduce the cost and size of power passive components while remaining outside the AM band.Features
- AEC Q100 qualification
- 1.5A DC output current
- 4V to 38V operating input voltage
- Low consumption mode or low noise mode
- Programmable ISKIP current
- 30μA IQ at light load (LCM VIN = 12V)
- 8μA IQ-SHTDWN
- Adjustable f SW (250kHz - 2MHz)
- 3.3V fixed output voltage VOUT
- Embedded output voltage supervisor
- Synchronization
- Adjustable soft-start time
- Internal current limiting
- Overvoltage protection
- Output voltage sequencing
- Peak current mode architecture
- 180mΩ RDS(on)HS and 150mΩ RDS(on)LS
- Thermal shutdown
- RoHS compliant
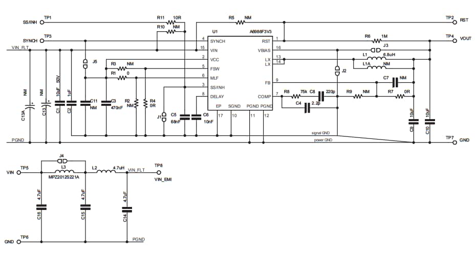
STEVAL-ISA188V1 Schematic
Published: 2016-05-20
| Updated: 2022-03-11
