STMicroelectronics STEVAL-SCR001V1 Evaluation Board

STMicroelectronics STEVAL-SCR001V1 Evaluation Board is a low-cost board for testing ST inrush current limitation solutions. The STEVAL-SCR001V1 evaluation board offers a compact and reliable alternative to relays to bypass inrush current limiting resistors in power converters. This STEVAL-SCR001V1 board consists of a drive circuit which is self-syncronized to the AC line. The evaluation board allows low gate drive consumption and no SCR reverse losses in a pulse mode of operation. This STMicroelectronics STEVAL-SCR001V1 Evaluation Board is suitable for applications with peak current up to 5A (@ 60°C ambient temperature).

Features

  • Two high-temperature thyristors (SCR) to bypass the inrush resistor
  • 26mm x 26mm (≈ 1 sq. in) compact SMD solution
  • 2 low voltage transistors and 7 resistors (no MCU) simple drive circuit
  • Requires an unregulated power supply (12V typical created from a secondary winding)
  • Compatible with PFC and fly-back converter
  • Suitable for applications from 50W up to 800W (230VRMS, TAMB = 60°C)
  • 90VAC to 265VAC input voltage range
  • 50/60Hz input frequency range
  • Robust and immune :
    • 2kV IEC 61000-4-5
    • 2.5kV IEC 61000-4-4
  • Low EMI noise (EN55014) solution
  • RoHS compliant

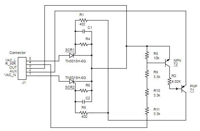
Schematic

Schematic - STMicroelectronics STEVAL-SCR001V1 Evaluation Board
Published: 2018-04-02 | Updated: 2023-02-01