STMicroelectronics STPA001 MOSFET Quad Bridge Power Amplifiers

STMicroelectronics STPA001 MOSFET Quad Bridge Power Amplifiers have breakthrough MOSFET technology and are designed for high-power car radio. The STPA001 feature a fully complementary P-Channel/N-Channel output structure. This structure allows a rail-to-rail output voltage swing which, combined with high output current and minimized saturation losses, sets new power references in the car-radio field.

The amplifiers have unparalleled distortion performances and can operate down to 6V. This makes the IC compliant to the most recent OEM specifications for low voltage operation.

Features

  • Multipower BCD technology
  • High output power capability:
    • 4 x 50W/4Ω Max.
    • 4 x 28W/4Ω @ 14.4V, 1kHz, 10%
    • 4 x 72W/2Ω Max.
  • MOSFET output power stage
  • 2Ω driving capability
  • Hi-Fi class distortion
  • Low output noise
  • High immunity to RF noise injection
  • Standby function
  • Mute function
  • Automute at min. supply voltage detection
  • Low external component count
  • Internally fixed gain (26dB)
  • Protections:
    • Output short circuit to GND, to Vs, across the load
    • Very inductive loads
    • Overrating chip temperature with soft thermal limiter
    • Output DC offset detection
    • Load dump
    • Fortuitous open GND
    • Reversed battery
    • ESD
    • Capable to operate down to 6V (e.g. “Startstop”)

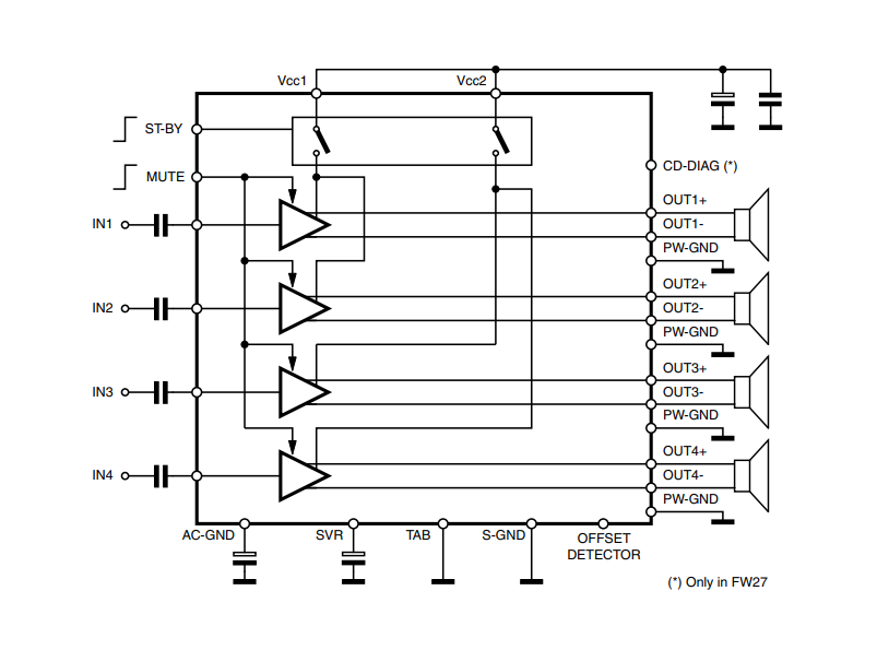
Block Diagram

Block Diagram - STMicroelectronics STPA001 MOSFET Quad Bridge Power Amplifiers
Published: 2017-08-14 | Updated: 2025-10-13