STMicroelectronics STSPIN32G060x 600V Three-Phase BLDC Controllers

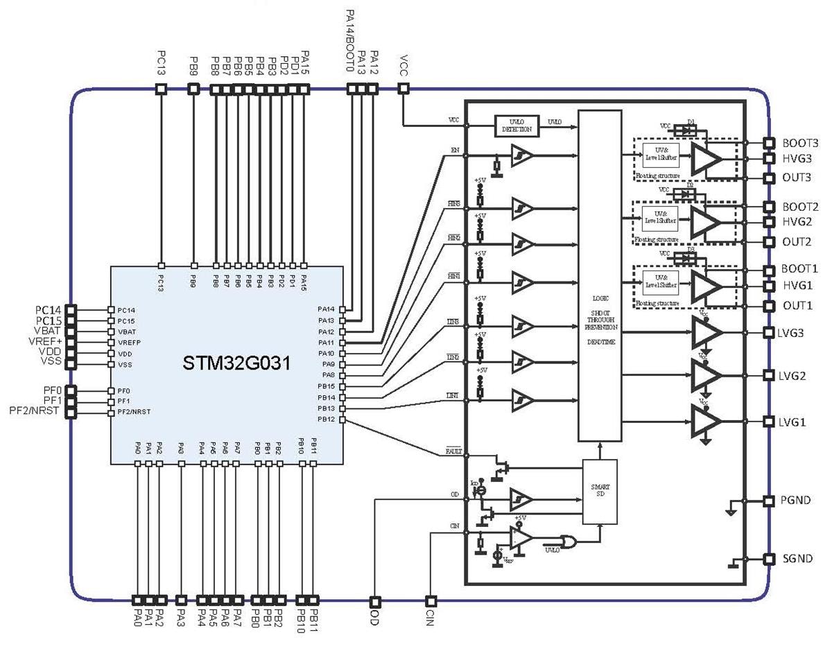
STMicroelectronics STSPIN32G060x 600V Three-Phase BLDC Controllers are all-in-one packages for driving three-phase applications. The STMicro STSPIN32G060x includes an STM32G031x8x3 MCU with a 32-bit Arm® Cortex®-M0+ CPU. The device also includes a 600V triple half-bridge gate driver and a smartSD comparator for fast overload and overcurrent protection. The controllers integrate high-voltage bootstrap diodes, anti-cross-conduction, dead-time, and UVLO protection for efficient and safe operation. The MCU operates up to 64MHz and enhances security with a memory protection unit (MPU).

Features

  • Three-phase gate drivers
    • High-voltage rail up to 600V
    • dV/dt transient immunity ±50V/ns
    • Gate driving voltage ranges from 9V to 20V
  • Driver current capability
    • 200/350mA source/sink current at 25°C (STSPIN32G0601)
    • 1.00/0.85A source/sink current at 25°C (STSPIN32G0602)
  • 32-bit Arm Cortex-M0+ MCU core
    • Up to 64MHz clock frequency
    • 8Kbyte SRAM with hardware parity check
    • 64Kbyte flash memory with protection and secure area
    • CRC calculation unit
  • Up to 32 general-purpose I/O ports (GPIO)
  • One advanced timer for motor control, 16-bit with up to 6 x PWM channels
  • Five general-purpose timers (1x 32-bit)
  • Two low-power timers
  • 12-bit ADC converter (up to 15 channels) with 2MSps conversion rate
  • 5-channel DMA controller with flexible mapping
  • Internal high-precision voltage reference
  • 2x I2C, 2x SPI, 3x UART and 1x low-power UART full set of interfaces
  • Matched propagation delay for all channels
  • Integrated bootstrap diodes
  • Comparator for fast overcurrent protection
  • UVLO, interlocking, and deadtime functions
  • Smart shutdown (smartSD) function
  • Standby mode for low power consumption
  • On-chip debug support via SWD
  • -40°C to +125°C extended temperature range
  • QFN 10x10 72L pitch 0.5 creepage 1.8mm package

Applications

  • Three-phase motor drivers
  • Inverters
  • Industrial appliances and fans

Videos

Block Diagram

Block Diagram - STMicroelectronics STSPIN32G060x 600V Three-Phase BLDC Controllers
Published: 2024-01-24 | Updated: 2025-08-12