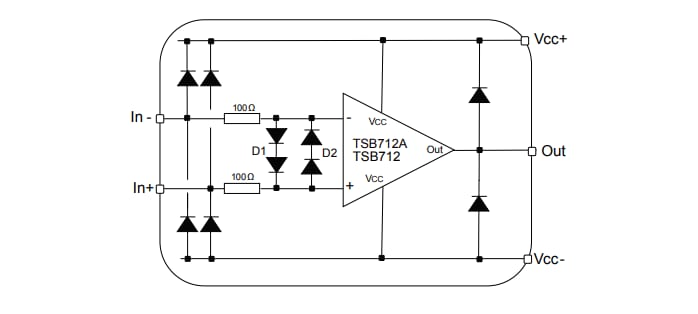
STMicroelectronics TSB7192 BiCMOS Operational Amplifiers
STMicroelectronics TSB7192 BiCMOS Operational Amplifiers offer dual 22MHz bandwidth and feature rail-to-rail input and output. The STMicroelectronics TSB7192 is guaranteed to operate from +2.7V to +36V single supply and from ±1.35V to ±18V dual supplies. The devices have the advantage of offering a large span of supply voltage and an excellent input offset voltage of 300µV maximum at 25°C.The TSB7192 provides features including wide bandwidth, slew rate, low noise, rail-to-rail capability, and precision. These features make the TSB7192 useful in various applications such as filters, power supply/motor control, actuator driving, hall effect sensors, and resistive transducers.
Features
- Rail-to-rail input and output
- 300µV maximum low offset voltage
- 2.7V to 36V wide supply voltage range
- 22MHz gain-bandwidth product
- 12V/µs slew rate
- 12nV/√Hz low noise
- Stable with gain +10/-9
- Integrated EMI filter
- Standard SO8 and miniSO8 packages
- 2kV HBM ESD tolerance
- -40°C to +125°C extended temperature range
- Automotive-grade available
Applications
- High-side and low-side current sensing
- Hall effect sensors
- Data acquisition and instrumentation
- Test and measurement equipment
- Motor control
- Industrial process control
- Strain gauge
Videos
Input Current Limitation
Published: 2019-02-14
| Updated: 2024-01-26
