STMicroelectronics TDA7388A 4x42W Quad Bridge Car Radio Amplifiers

STMicroelectronics TDA7388A 4x42W quad bridge amplifiers are class AB audio power amplifiers in a Flexiwatt 27 package. These STMicroelectronics devices are designed for high-end car radio applications and high output power capability and low distortion and output noise. The TDA7388A features a fully complementary PNP/NPN output configuration, allowing a rail to rail output voltage swing with no need for bootstrap capacitors. TDA7388A quad bridge car radio amplifiers are also equipped with a Clipping detector and Offset detector features.

Features

  • High output power capability:
    • 4x42W/4Ω max.
    • 4x27W/4Ω @ 14.4V, 1KHz, 10%
  • Low distortion
  • Low output noise
  • Standby function
  • Mute function
  • Automute at min. supply voltage detection
  • Low external component count:
  • Clipping detector
  • Offset detector
  • Diagnostic facility for:
    • Out to GND short
    • Out to VS short
    • Thermal shutdown

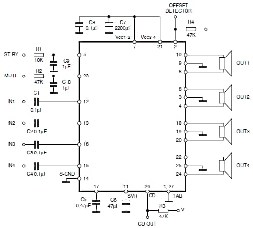
Application Circuit

Application Circuit Diagram - STMicroelectronics TDA7388A 4x42W Quad Bridge Car Radio Amplifiers
Published: 2011-11-14 | Updated: 2022-03-11