STMicroelectronics LM139, LM239 & LM339 Quad Voltage Comparators

STMicroelectronics LM139, LM239, and LM339 Low-Power Quad Voltage Comparators consist of four independent precision-voltage comparators with an offset voltage specification as low as 2 mV. These Low-Power Quad Voltage Comparators have been designed specifically to operate from a single power supply over a wide range of voltages. Operation from split power supplies is also possible. STMicroelectronics' Low-Power Quad Voltage Comparators also have a unique characteristic in that the input common mode voltage range includes ground even though operated from a single power supply voltage.

Features

  • Wide single supply voltage range or dual supplies for all devices: +2V to +36V or ±1V to ±18V
  • Very low supply current (1.1mA) independent of supply voltage
  • Low input bias current: 25nA typ
  • Low input offset current: ±5nA typ
  • Low input offset voltage: ±1mV typ
  • Input common-mode voltage range includes ground
  • Low output saturation voltage: 250mV typ; (ISINK = 4mA)
  • Differential input voltage range equal to the supply voltage
  • TTL, DTL, ECL, MOS, CMOS compatible outputs

Complete Your Design

STMicroelectronics LM139, LM239 & LM339 Quad Voltage Comparators

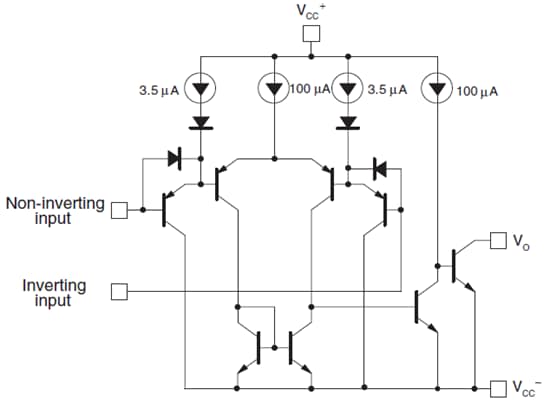
Schematic Diagram (1/4 LM139)

Schematic - STMicroelectronics LM139, LM239 & LM339 Quad Voltage Comparators
View Results ( 15 ) Page
Part Number Datasheet Number of Channels Ib - Input Bias Current Vos - Input Offset Voltage Operating Supply Current Response Time Pd - Power Dissipation Output Current per Channel Package/Case
LM239QT LM239QT Datasheet 4 Channel 250 nA 5 mV 2 mA 1.3 us 4 mA QFN-16
LM139DT LM139DT Datasheet 4 Channel 250 nA 5 mV 2 mA 1.3 us 830 mW 4 mA SOP-14
LM239DT LM239DT Datasheet 4 Channel 250 nA 5 mV 2 mA 1.3 us 830 mW 4 mA SOIC-14
LM239D LM239D Datasheet 4 Channel 250 nA 5 mV 2 mA 1.3 us 830 mW 4 mA SOIC-14
LM339APT LM339APT Datasheet 4 Channel 100 nA 2 mV 2 mA 1.3 us 710 mW 4 mA TSSOP-14
LM339PT LM339PT Datasheet 4 Channel 250 nA 5 mV 2 mA 1.3 us 710 mW 4 mA TSSOP-14
LM139ADT LM139ADT Datasheet 4 Channel 100 nA 2 mV 2 mA 1.3 us 830 mW 4 mA SOP-14
LM239ADT LM239ADT Datasheet 4 Channel 100 nA 2 mV 2 mA 1.3 us 830 mW 4 mA SOIC-14
LM239PT LM239PT Datasheet 4 Channel 250 nA 5 mV 2 mA 1.3 us 710 mW 4 mA TSSOP-14
LM339ADT LM339ADT Datasheet 4 Channel 100 nA 2 mV 2 mA 1.3 us 830 mW 4 mA SOIC-14
Published: 2012-03-08 | Updated: 2022-03-11