TDK-Lambda RGB DC-DC Step-Down Converters

TDK-Lambda RGB DC-DC Step-Down Converters are non-isolated DC-DC converters that feature a high 750W power density within a 1/16th brick-pin-out package. The converters are encapsulated in a five-sided aluminum case, which improves EMI rating. The RGB series is qualified for MIL-STD-810G for shock and vibration, making them suitable for fanless, conduction-cooled applications. The converters provide a wide input voltage range and an output voltage adjustment capability to support multiple system voltages. The TDK-Lambda RGB DC-DC Step-Down Converters offer various integrated features, including remote on/off, remote sense, output trim, and adjustable output current limit. The RGB DC-DC converters are a versatile solution for various power industries such as commercial off-the-shelf (COTS), communication, broadcast, robotics, and test and measurement.

Features

  • Up to 750W power capacity in 1/16th brick-pin-out package
  • Encapsulated five-sided metal case improves EMI
  • Rugged deployment in harsh environments
  • Suitable against high shock and vibration exposure
  • Up to 98.5% efficiency
  • Low power consumption results in long battery life
  • Wide output voltage adjustment
  • One part supports multiple system voltages
  • Wide input voltage range
  • Operates from different DC input source voltages
  • Adjustable current limit reduces stress on the input source, converter, and load

Applications

  • Industrial
  • COTS
  • Test and measurement
  • Communications
  • Broadcasting
  • Robotics

Specifications

  • 9V to 60V input voltage range
  • 0.8V to 24V output voltage range
  • 33A to 60A max current range
  • 400W to 750W max power range
  • 330kHz switching frequency
  • -40°C to +115°C operating temperature range
  • -55°C to +125°C storage temperature range
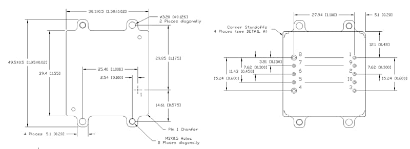
  • 38.1mm x 49.5mm x 13mm dimensions
  • CE, UKCA certified
  • RoHS compliant

Typical Application Circuit

Application Circuit Diagram - TDK-Lambda RGB DC-DC Step-Down Converters

Mechanical Drawing

Mechanical Drawing - TDK-Lambda RGB DC-DC Step-Down Converters
Published: 2024-06-25 | Updated: 2024-08-15