EPCOS / TDK HVC45 High-Voltage Contactors

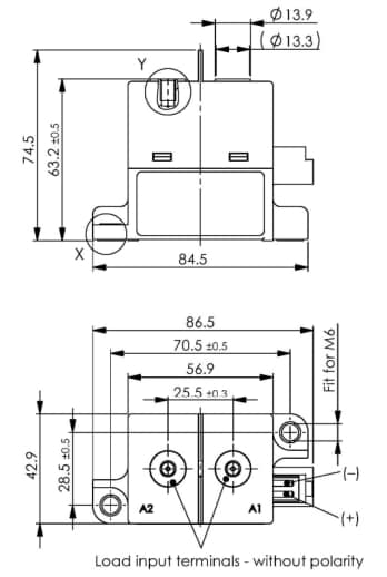
EPCOS / TDK HVC45 High-Voltage Contactors feature a robust design and are designed for high-voltage DC switching requirements in harsh environments. These gas-filled contactors offer main terminals without polarity and a high short-circuit handling capability of up to 12kA. Specifications for the HVC45 contactors include a 250A or 300A current rating, -40°C to +85° operating temperature range, and 74.5mm x 84.5mm x 42.9mm dimensions. EPCOS / TDK HVC45 High-Voltage Contactors are suitable for various applications, such as automotive traction battery systems and DC fast-charging stations.

Features

  • Gas filled
  • Main terminals without polarity (bidirectional)
  • High short-circuit handling capability
  • Robust design

Applications

  • Automotive traction battery systems
  • DC fast-charging stations

Specifications

  • Up to 12kA short-circuit handling capability
  • 1A contact arrangement
  • 250A or 300A current rating
  • IP40 protection rating
  • 1000VDC maximum operating voltage
  • ≥1GΩ insulation resistance
  • 6W power at nominal voltage
  • -40°C to +85° operating temperature range
  • 74.5mm x 84.5mm x 42.9mm dimensions

Dimensions

Mechanical Drawing - EPCOS / TDK HVC45 High-Voltage Contactors
Published: 2024-10-28 | Updated: 2025-12-16