Texas Instruments DAC38RF8x 14-Bit PLL Digital-to-Analog Converters
Texas Instruments DAC38RF8x 14-Bit PLL Digital-to-Analog Converters provide high performance, wide bandwidth, and RF sampling. The devices are capable of dual channel input data rate up to 3.33GSPS or single-channel operation with 8 bits up to 9GSPS. A low-power JESD204B interface is offered with up to 8 lanes, with a maximum bit rate of 12.5Gbps. The input interface is capable of data rates up to 3.33GSPS at 12-bits and 2.5GSPS at 16-bit resolution without interpolation in dual channel mode. The DAC38RF82 or DAC38RF89 can be used as a complex baseband transmitter with interpolation modes from 2x to 24x and is qualified for synthesizing wideband signals up to 2GHz bandwidth with 16-bit input resolution and 2.66GHz bandwidth with 12-bit input resolution. The DAC38RF82 and DAC38RF89 support different VCO frequency ranges.Features
- 10mm x 10mm BGA, 0.8mm Pitch, 144-ball package
- 14-Bit resolution, 9GSPS DAC with multimode operation
- 16-Bit, Dual-channel data mode
- 2.5GSPS Max input rate
- Wideband digital up-converter
- 1, 2, 4, 6, 8, 10, 12, 16, 18, 20, 24x Interpolation
- 16-Bit, Dual-channel data mode
- 12-Bit, dual-channel data mode
- 3.33GSPS Max input rate
- Wideband digital up-converter
- 1, 2, 24x Interpolation
- 8-Bit, single-channel data mode
- 9GSPS Max input rate
- JESD204B Interface
- Subclass 1 for multichip synchronization
- 12.5Gbps Maximum lane rate
- Differential output
- Supports DC coupling
- RF Full-scale output power (with 2:1 Balun): 3dBm at 2.14GHz
- Internal PLL and VCO with bypass
- DAC38RF82 at fC(VCO) = 5.9GHz or 8.9GHz
- DAC38RF89 at fC(VCO) = 5GHz or 7.5GHz
- -1.8V, 1.0V, 1.8V Power supplies
Applications
- Arbitrary waveform generators
- Radar and electronic warfare
- Communications test equipment
- Direct RF synthesis for DOCSIS 3.0/3.1
- Microwave backhaul
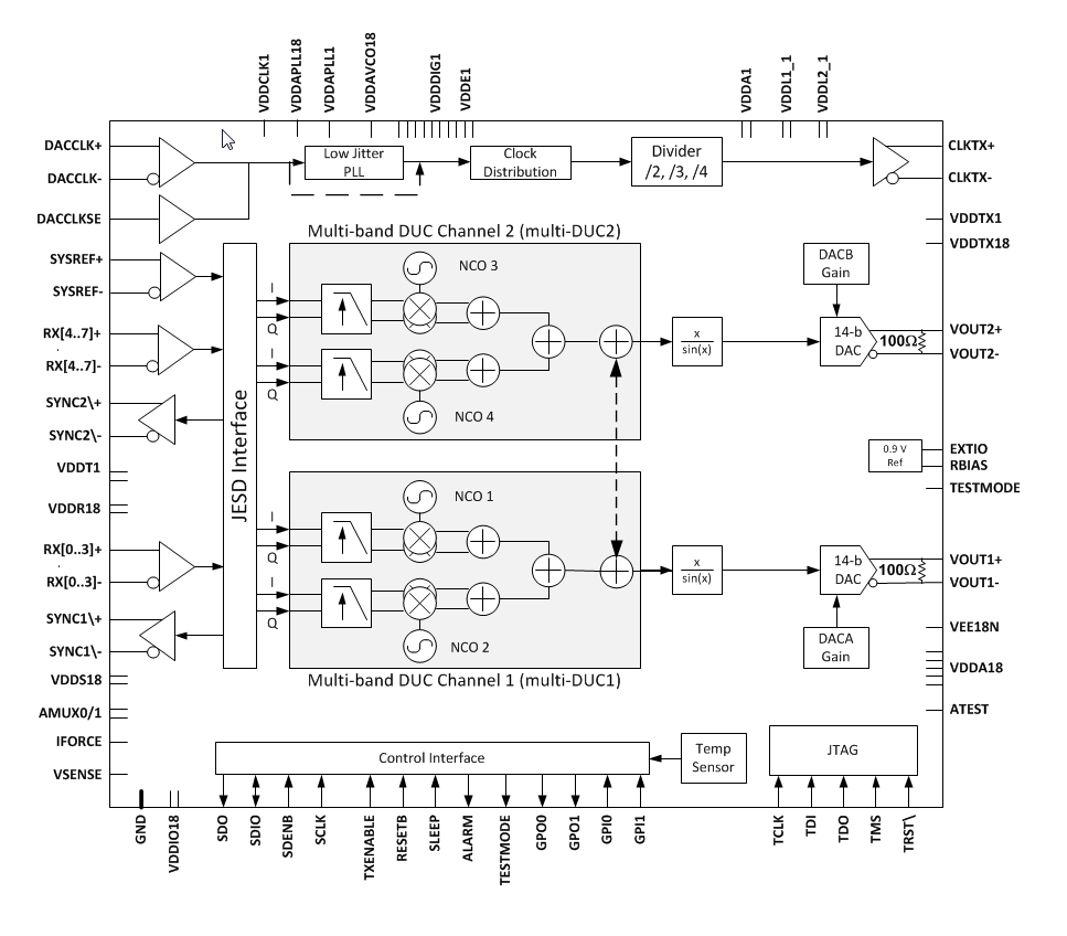
Block Diagram
Published: 2018-07-19
| Updated: 2023-01-09
