Texas Instruments DRV8770 100V Brushed DC Gate Driver

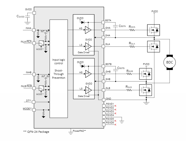
Texas Instruments DRV8770 100V Brushed DC Gate Driver delivers two half-bridge gate drivers, each capable of driving high-side and low-side N-channel power MOSFETs. The integrated bootstrap diode and external capacitor generate the correct gate drive voltages for the high-side MOSFETs while the GVDD drives the gates of the low-side MOSFETs. The gate drive architecture supports gate drive currents up to 750mA source and 1.5A sink. The high voltage tolerance of the gate drive pins improves system robustness.

The TI DRV8770 100V Brushed DC Gate Driver provides SHx phase pins to tolerate significant negative voltage transients. At the same time, the high-side gate driver supply can support higher positive voltage transients (115V absolute maximum) on the BSTx and GHx pins. Efficiency is further improved utilizing the small propagation delay and delay matching specifications to minimize the deadtime requirement. Undervoltage protection is supplied for both low and high sides through GVDD and BST undervoltage lockout.

Features

  • 100V H-bridge gate driver
    • Drives N-channel MOSFETs (NMOS)
    • Gate driver supply (GVDD) of 5V-20V
  • MOSFET supply (SHx) support up to 100V
  • Integrated bootstrap diodes
  • Supports inverting and non-inverting INLx inputs (QFN package)
  • Bootstrap gate drive architecture
    • 750mA source current
    • 1.5A Sink current
  • Supports up to 15s battery-powered applications
  • Low leakage current on SHx pins (<55µA)
  • Absolute maximum BSTx voltage up to 115V
  • Supports negative transients down to -22V on SHx pins
  • Adjustable deadtime through DT pin in QFN package
  • Fixed deadtime insertion of 200ns in TSSOP package
  • Supports 3.3V, and 5V logic inputs with 20V abs max
  • 4ns typical propagation delay matching
  • Compact QFN and TSSOP packages and footprints
  • Efficient system design with Power Blocks
  • Integrated protection features
    • BST undervoltage lockout (BSTUV)
    • GVDD undervoltage (GVDDUV)

Applications

  • E-Bikes, E-scooters, and E-mobility
  • Cordless garden and power tools, lawnmowers
  • Cordless vacuum cleaners
  • Drones, robotics, and RC toys
  • Industrial and logistics robots
  • Power tools

Simplified Schematic

Schematic - Texas Instruments DRV8770 100V Brushed DC Gate Driver

Block Diagram

Block Diagram - Texas Instruments DRV8770 100V Brushed DC Gate Driver
Published: 2022-03-14 | Updated: 2023-04-12