Texas Instruments DRV8840 DC Motor Drivers
Texas Instruments DRV8840 DC Motor Drivers are 5A brushed DC drivers with inrush protection, ideal for automated equipment applications. These drivers include one H-bridge driver and are intended to drive one DC motor. The DRV8840 drivers can supply up to 5A peak or 3.5A output current. These drivers come with a decay mode that is programmable to allow braking or coasting of the motor when disabled. Features include overcurrent protection, short-circuit protection, under-voltage lockout, and over-temperature. The Texas Instruments DRV8840 DC motor drivers are available in a 28-pin HTSSOP package with PowerPAD™. Applications include printers, scanners, gaming machines, office automation machines, factory automation, and robotics. Compared to the DRV8840, the DRV8874 saves BOM space and cost by eliminating sense resistors.Features
- Single H-bridge current-control motor driver
- 8.2V to 45V operating supply voltage range
- Five-bit current control allows up to 32 current levels
- Low MOSFET RDS(on) (typical) 0.65Ω (HS + LS)
- 5A maximum drive current @ 24V @ TA = 25°C
- Built-in 3.3V reference output
- Parallel digital control interface
- Thermally enhanced surface mount package
- Protection features
- Overcurrent Protection (OCP)
- Thermal Shutdown (TSD)
- VM Undervoltage Lockout (UVLO)
- Fault condition indication pin (nFAULT)
Applications
- Printers
- Scanners
- Office automation machines
- Factory automation
- Robotics
- Gaming machines
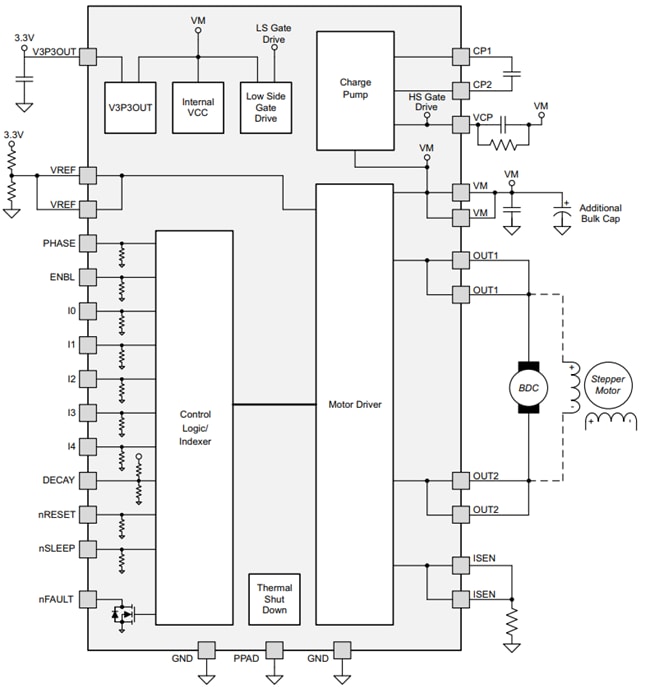
DRV8840 Block Diagram
DRV8840 Schematic
Published: 2019-03-28
| Updated: 2023-08-14
