Texas Instruments ISO1500 3kVRMS RS-485/RS-422 Transceivers

Texas Instruments ISO1500 3kVRMS RS-485/RS-422 Transceivers have a 3-channel digital isolator and an RS-485 transceiver in an ultra-small 16-pin SSOP package. The bus pins of the ISO1500 Transceivers are protected against IEC ESD contact discharge and IEC EFT events. The receiver output has a failsafe for bus open, short, and idle conditions. The ISO1500 offers a small solution size reducing the board space required compared to other integrated isolated RS-485 solutions or discrete implementations with optocouplers and non-isolated RS-485 transceivers.

The device is used for long-distance communications with isolation that breaks the ground loop between the communicating nodes, allowing for a much larger common-mode voltage range. The symmetrical isolation barrier of each device is tested to provide 3000VRMS of isolation for 1 minute per UL 1577. This isolation is between the bus-line transceiver and the logic-level interface. The Texas Instruments ISO1500 RS-485/RS-422 Transceivers operate from 1.71V to 5.5V on side one, which lets the devices interface with low-voltage FPGAs and ASICs and 4.5V to 5.5V on side 2. The device supports a wide operating ambient temperature range from –40°C to +125°C.

Features

  • Meets or exceeds requirements of TIA/EIA-485-A
  • Half-duplex transceiver
  • Low-EMI 1Mbps data rate
  • 1.71V to 5.5V logic-side supply (VCC1), 4.5V to 5.5V bus-side supply (VCC2)
  • 1/8 unit load of up to 256 nodes on the bus
  • Failsafe receiver for bus open, short, and idle
  • 100kV/µs (typical) high common-mode transient immunity
  • Extended temperature range from –40°C to +125°C
  • Glitch-free power-up and power-down for hot plug-in
  • Ultra-small SSOP (DBQ-16) package
  • Safety-related certifications
    • All certifications planned
    • 4242VPK VIOTM and 566VPK VIORM per DIN V VDE V 0884-11:2017-01
    • 3000VRMS isolation for 1 minute per UL 1577
    • IEC 60950, IEC 60601, and EN 61010 Certifications
    • CQC, TUV, and CSA Certifications

Applications

  • Electricity meters
  • Protection relay
  • Factory automation and control
  • HVAC systems and building automation
  • Motor drives

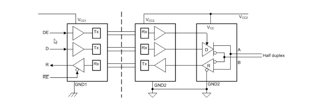
Functional Diagram

Block Diagram - Texas Instruments ISO1500 3kVRMS RS-485/RS-422 Transceivers

Schematic

Schematic - Texas Instruments ISO1500 3kVRMS RS-485/RS-422 Transceivers
Published: 2019-01-18 | Updated: 2023-06-05