Texas Instruments LM706x0/LM706x0-Q1 Buck Converters

Texas Instruments LM706x0/LM706x0-Q1 Buck Converters feature a 4.5V to 65V input voltage range and up to 10A of output current at fixed output voltages of 3.3V, 5V, 12V, or an adjustable output. The LM706x0/LM706x0-Q1 low-IQ, wide-VIN synchronous buck converters utilize a peak current-mode control architecture for easy loop compensation, fast transient response, and superior load and line regulation. A pair of LM706A0-Q1 converters can be set up in an interleaved mode (paralleled outputs) with accurate current sharing for applications needing up to 20A of output current. The LM706A0-Q1 supplies a unique Dual Random Spread Spectrum (DRSS) function that incorporates low-frequency triangular and high-frequency cycle-by-cycle random modulations for enhanced EMI performance across a wide range of frequency bands.

The TI LM706x0-Q1 converter is engineered in a 6mm × 6mm thermally optimized, 29-pin QFN package. The three die-attach pads (VIN, SW, and PGND) improve thermal performance and board-level reliability (BLR). The LM706x0-Q1 devices are AEC-Q100 qualified for automotive applications.

Features

  • AEC-Q100 qualified for automotive applications with device temperature grade 1 of -40°C to +125°C ambient operating temperature
  • Functional safety-capable documentation available to aid functional safety system design
  • Synchronous DC/DC converter with a versatile buck controller and robust power MOSFETs
    • 4.5V to 65V wide input voltage range
    • 2.3µA shutdown mode current
    • 10.4µA no-load IQ regulating 24V to 5V
    • 1% accurate, fixed 3.3V, 5V, 12V, or adjustable outputs from 0.8V to 36V
    • Dual-phase operation enabling output currents up to 16A
  • Designed for low EMI requirements
    • Facilitates CISPR 25 Class 5 compliance
    • Pin-selectable ±8% dual-random spread spectrum reduces peak emissions
    • 200kHz to 2.2MHz switching frequency
    • Pin-configurable AUTO or FPWM operation
  • Inherent protection features for robust design
    • Internal hiccup-mode overcurrent protection
    • Enable, power good, and thermal shutdown
    • Internal or external loop compensation
  • 6mm x 6mm thermally optimized, RoHS compliant, QFN-29 package with Pb-free plating
  • Create a custom design using the LM706A0-Q1 with the WEBENCH® Power Designer

Applications

  • Automotive electronic systems
  • Advanced Driver Assist Systems (ADAS)
  • Infotainment and cluster

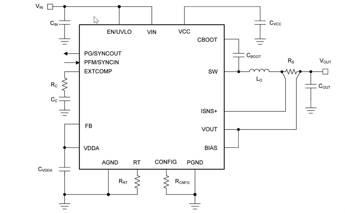
Typical Application Circuit

Application Circuit Diagram - Texas Instruments LM706x0/LM706x0-Q1 Buck Converters
Performance Graph - Texas Instruments LM706x0/LM706x0-Q1 Buck Converters
Published: 2024-10-30 | Updated: 2025-05-09