Texas Instruments SN74AC153-Q1 Dual 4-to-1 Line Data Selectors/Muxes

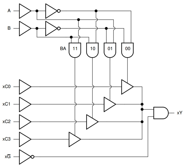
Texas Instruments SN74AC153-Q1 Dual 4-to-1 Line Data Selectors/Multiplexers are dual data selectors/multiplexers containing full binary decoding to select one of four data sources. The same address-select inputs control both channels, and each channel includes a strobe (G) input. A high level at the strobe terminal of the Texas Instruments SN74AC153-Q1 forces the respective output low.

Features

  • AEC-Q100 qualified for automotive applications
    • Device temperature grade 1 of -40°C to +125°C
    • Device HBM ESD classification level 2
    • Device CDM ESD classification level C4B
  • Available in a wettable flank QFN package
  • Wide operating range of 1.5V to 6V
  • Inputs accept voltages up to 6V
  • Continuous ±24mA output drive at 5V
  • Supports up to ±75mA output drive at 5V in short bursts
  • Drives 50Ω transmission lines
  • Maximum tpd of 20ns at 5V, 50pF load

Applications

  • Data selection
  • Multiplexing

Logic Diagram (Positive Logic)

Block Diagram - Texas Instruments SN74AC153-Q1 Dual 4-to-1 Line Data Selectors/Muxes
Published: 2025-06-10 | Updated: 2025-06-17