Texas Instruments SN74LVC166A 8-Bit Parallel-Load Shift Register

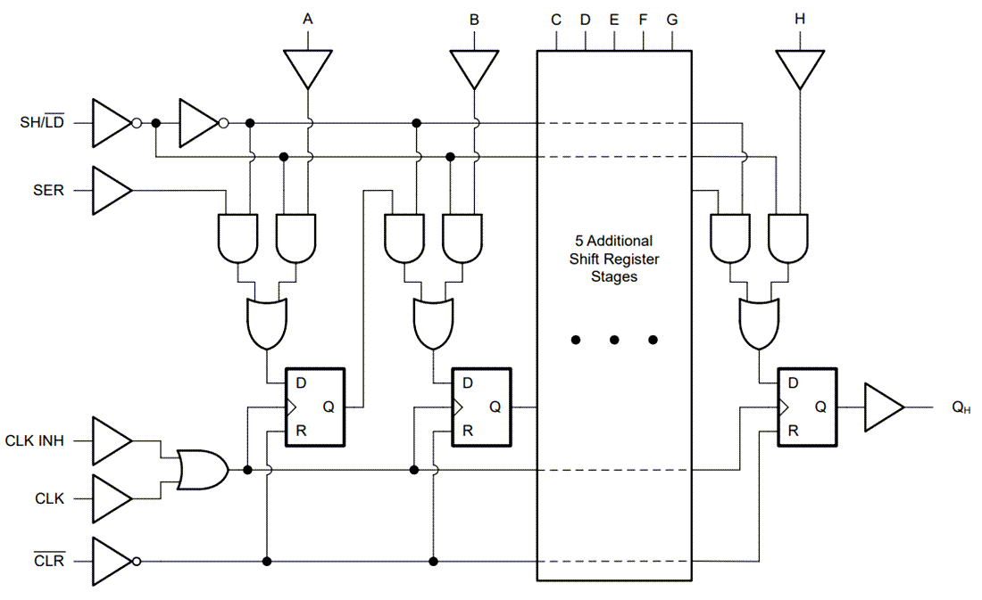
Texas Instruments SN74LVC166A 8-Bit Parallel-Load Shift Register contains one 8-bit parallel-load shift register. Data is loaded synchronously using the shift or load (SH/LD) select and clock (CLK) inputs. The Texas Instruments SN74LVC166A includes a serial (SER) input to allow for daisy chaining and an asynchronous clear (CLR) input.

Features

  • Operating range from 1.1V to 3.6V
  • Over-voltage tolerant inputs support up to 5.5V independent of VCC
  • Supports partial power down with back drive protection (Ioff)
  • Maximum propagation delay of 11.2ns at 3.3V supply
  • High push-pull output drive strength
    • ±24mA at 3.3V
    • ±8mA at 2.3V
    • ±4mA at 1.65V
  • Latch-up performance exceeds 100mAper JESD78

Applications

  • Increase the number of inputs on a microcontroller
  • Read in board revision

Functional Block Diagram

Block Diagram - Texas Instruments SN74LVC166A 8-Bit Parallel-Load Shift Register
Published: 2024-08-27 | Updated: 2025-05-05