Texas Instruments SN74LVC2G100/SN74LVC2G100-Q1 Multi-Function Gates
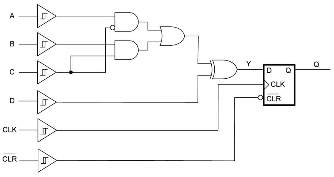
Texas Instruments SN74LVC2G100 / SN74LVC2G100-Q1 Multiple-Function Gates are dual, sequential, configurable multiple-function devices with Schmitt Trigger inputs. Sixteen patterns of a 4-bit input determine the output state. The output state is input to a D-Flip Flop, which is transferred to the Q output on the positive-going CLK edge. The user can choose the logic functions MUX, AND, OR, NAND, NOR, inverter, and non-inverter. The Texas Instruments SN74LVC2G100-Q1 devices are AEC-Q100 qualified for automotive applications.Features
- Operating range from 1.1V to 3.6V
- 5.5V tolerant input pins
- Supports standard pinouts
- Latch-up performance exceeds 250mA per JESD 17
- ESD protection exceeds JESD 22
- 2000V human-body model (A114-A)
- 1000V charged-device model (C101)
Applications
- Combining power good signals
- Enable digital signals
Functional Block Diagram
Additional Resources
- Selection Guide: Little Logic Guide
- Selection Guide Logic Guide
- Application Note: How to Select Little Logic
- Application Note: Understanding and Interpreting Standard-Logic Data Sheets
- User Guide: LOGIC Pocket Data Book
- User Guide: LVC and LV Low-Voltage CMOS Logic Data Book
- ADAS: The technology driving automotive safety forward
Published: 2024-06-05
| Updated: 2025-05-08
