Texas Instruments TAx5x12EVM-K Evaluation Modules (EVMs)

Texas Instruments TAx5x12EVM-K Evaluation Modules (EVMs) allow the user to test the capabilities of various TI audio CODECs, ADCs, and DACs. The TAC5212 is a low-power, stereo audio codec with 118dB dynamic range ADC and 119dB dynamic range DAC. The TAC5112 is a low-power, stereo audio codec with 100dB dynamic range ADC and 106dB dynamic range DAC. The TAD5212 is a low-power stereo audio DAC with 119dB dynamic range, or the TAA5212, a low-power stereo audio ADC with 118dB dynamic range. The evaluation modules are paired with the AC-MB, a flexible motherboard that provides power, control, and digital audio data to the evaluation module. The Texas Instruments TAx5x1x family of devices is configured through the PurePathConsole 3 (PPC3) GUI.

Features

  • Complete evaluation kit for the TAC5212; a stereo high-performance Codec, TAC5112; a stereo Codec, TAD5212; a stereo high-performance DAC or TAA5212; a stereo high-performance ADC
  • On-board microphones provided for voice recording testing
  • Direct access to digital audio signals and control interface for simple end-system integration
  • USB connection to PC provides power, control, and streaming audio data for easy evaluation

Kit Contents

  • TAC5212, TAC5112, TAD5212 or TAA5212 device
  • TAx5x12EVM daughterboard
  • AC-MB controller/motherboard
Texas Instruments TAx5x12EVM-K Evaluation Modules (EVMs)

Applications

  • Land mobile radio
  • IP Network camera
  • IP Telephone
  • Video conference system
  • Professional audio mixer/control surface

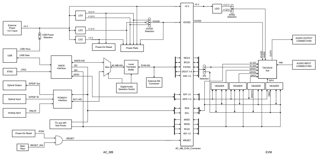
Block Diagram

Block Diagram - Texas Instruments TAx5x12EVM-K Evaluation Modules (EVMs)

Board Layout

Mechanical Drawing - Texas Instruments TAx5x12EVM-K Evaluation Modules (EVMs)
Published: 2024-12-16 | Updated: 2025-03-21