Texas Instruments TIDA-010208 Battery Pack Reference Design

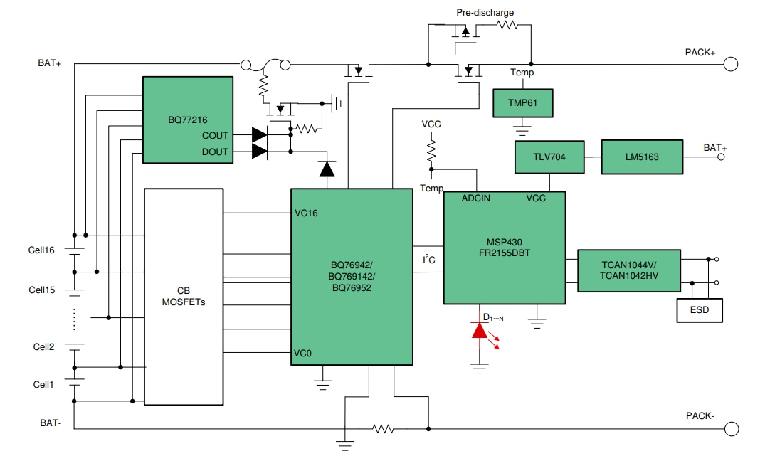
Texas Instruments TIDA-010208 10s to 16s Battery Pack Reference Design provides high accuracy for each cell voltage, pack current, cell, and MOSFET temperature. The Li-ion, LiFePO4 battery pack is protected against cell overvoltage, cell undervoltage, overtemperature, charge and discharge over current, and discharge short-circuit situations.

The TI TIDA-010208 has low standby and ship-mode current consumption and high cell voltage accuracy in a 10s to 16s Lithium-ion (Li-ion), LiFePO4 battery pack design. The design employs high-side N-channel MOSFET architecture and has powerful driving on and off capability.

Through an efficient auxiliary power supply strategy, the TIDA-010208 achieves 100μA standby and 10μA ship mode consumption, saving more energy and permitting a longer shipping and idle time. These reference design features allow for ideal suitability for e-bike and e-scooter battery pack applications.

Features

  • High cell voltage accuracy without calibrations:
    • ±5mV at 25°C; ±10mV at 0°C–60°C; ±15mV at –40°C to 85°C
  • Robust battery cell protection, including:
    • Primary - cell overvoltage, cell undervoltage, two levels overcurrent discharge, overcurrent charge, discharge short circuit, and overtemperature
    • Secondary - cell over voltage, cell undervoltage, and overtemperature
  • Ultra-low current consumption:
    • Typical 100μA when in standby mode
    • Typical 10μA when in shipping mode
  • Other system protections, including cell open wire and host watchdog
  • Support random cell connections
  • Reverse charger and high voltage on PACK side
  • High-side N-channel MOSFETs and strong driving capability

Applications

  • Battery pack – e-bike, e-scooter, LEV
  • Other industrial battery packs (≥10s)

Block Diagram

Texas Instruments TIDA-010208 Battery Pack Reference Design
Published: 2023-01-27 | Updated: 2024-09-16