Texas Instruments TLC696x1/TLC696x1-Q1 Constant Current Sink Drivers
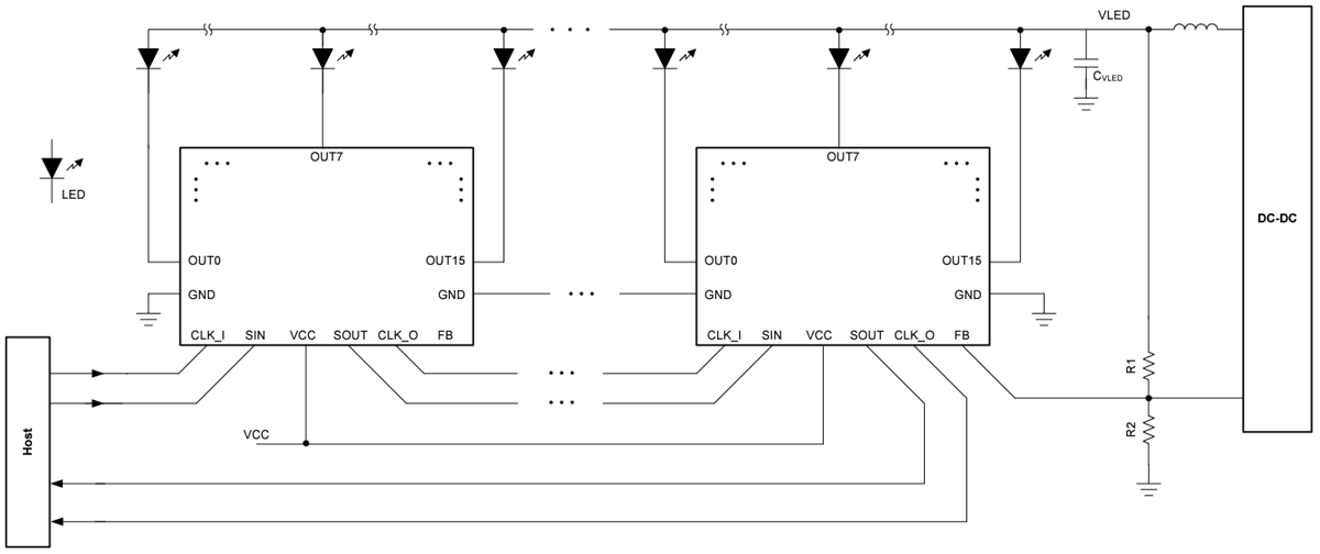
Texas Instruments TLC696x1/TLC696x1-Q1 16-Channel Constant Current Sink Drivers integrate 16 constant current sinks with SRAM for brightness storage. The device connects by a two-wire serial interface in daisy chain topology and supports up to 1024 devices for 16,000 local dimming zones.The device has an adaptive headroom voltage control scheme to directly control DC/DC and optimize system efficiency. Only the FB pin from the last device in a serial chain should be connected to DC/DC to achieve a simplified system layout. The device also integrates minimum brightness update latency, black insertion, and VRR features to improve display quality.
Texas Instruments TLC696x1/TLC696x1-Q1 has three error flags: LED open detection (LOD), LED short detection (LSD), and thermal shutdown detection (TSD) for diagnostic. The device implements two options for readback, including UART/INT and SOUT/CLK_O, which is programmable by a register. The TLC696x1-Q1 devices are AEC-Q100 qualified for automotive applications.
Features
- 3V to 5.5V operating voltage VCC range
- 16 constant current sinks with high precision
- Maximum output current/voltage
- 30mA/20V: TLC69601/TLC69601-Q1
- 60mA/20V: TLC69611/TLC69611-Q1
- 30mA/50V: TLC69651/TLC69651-Q1
- 60mA/50V: TLC69661/TLC69661-Q1
- ±2% (typ.) device-to-device error
- ±2% (typ.) channel-to-channel error
- Maximum output current/voltage
- Flexible dimming control
- Global 8-bit Maximum Current (MC) setting
- Brightness resolution of up to 15-bit
- PWM/Hybrid control mode
- High-speed daisy chain interface
- I/O voltage compatible with 1.8V/3.3V
- Data transfer rate of up to 20MHz
- High system efficiency
- Adaptive headroom voltage control (AHVC)
- Ultra-low device power consumption
- ICC ≤ 200uA in standby mode
- ICC ≤ 3.5mA in normal mode
- EMI enhancement
- Programmable interface driving capability
- Integrated four phase-shifting schemes
- Display quality improvement
- Minimum brightness update latency
- Programmable black insertion
- Variable refresh rate (VRR) without flickering
- Diagnostics
- LED open/short detection for each zone
- Device thermal shutdown detection
- Report interface option
- UART and interrupt pin (INT)
- Two-wire output: CLK_O and SOUT
Applications
- LCD local dimming backlight
- TV
- Monitor
- Notebook
- Tablet
Datasheets
Simplified Schematic
