Texas Instruments TPS4800-Q1 High Side Driver

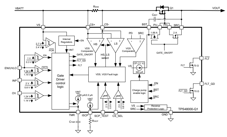
Texas Instruments TPS4800-Q1 High Side Driver is a 100V and low IQ device suitable for 12V, 24V, and 48V system designs. This driver with reverse polarity protection is designed to withstand and protect the loads from negative supply voltages down to -65V. The TPS4800-Q1 driver includes a strong (2A) gate drive that enables power switching using parallel MOSFETs in high-current system designs. This driver offers configurable short circuit protection using ISCP and TMR pins for adjusting the threshold and response time. The TPS4800-Q1 driver is AEC-Q100 qualified for automotive applications.

The TPS4800-Q1 driver features an integrated 11V charge pump, high or low-side current sense configuration (CS_SEL), and fault indication (FLT_GD) for gate drive Undervoltage Lockout (UVLO). This driver also features a diagnosis of the internal short circuit comparator using external control on SCP_TEST input. The TPS4800-Q1 driver is used in automotive 48V BMS, DC-DC converters, and power tools.

Features

  • AEC-Q100 automotive qualified for automotive applications
    • Device temperature grade 1: –40°C to 125°C ambient operating temperature range
  • Reverse input protection down to -65V
  • Integrated 11V charge pump
  • Low quiescent current, 43µA in operation
  • Low 1.5µA shutdown current (EN/UVLO = Low)
  • Strong gate driver (2A source and sink)
  • 3.5V to 95V input voltage range (100V absolute maximum)
  • Adjustable short circuit protection (ISCP) using external Rsense or MOSFET VDS sensing with adjustable delay (TMR)
  • High or low-side current sense configuration (CS_SEL)
  • Adjustable input Undervoltage Lockout (UVLO) and Overvoltage protection (OV)
  • Fault indication (FLT) during short circuit fault, input under voltage, and short-circuit comparator diagnosis (SCP_TEST)
  • Fault indication (FLT_GD) for gate drive UVLO

Applications

  • Automotive 48V BMS
  • DC-DC converters,
  • Power tools

Functional Block Diagram

Block Diagram - Texas Instruments TPS4800-Q1 High Side Driver

Application Circuit With External Supply to BST

Application Circuit Diagram - Texas Instruments TPS4800-Q1 High Side Driver
Published: 2025-01-16 | Updated: 2025-04-17