Texas Instruments TPS7H2211 Single Channel eFuse
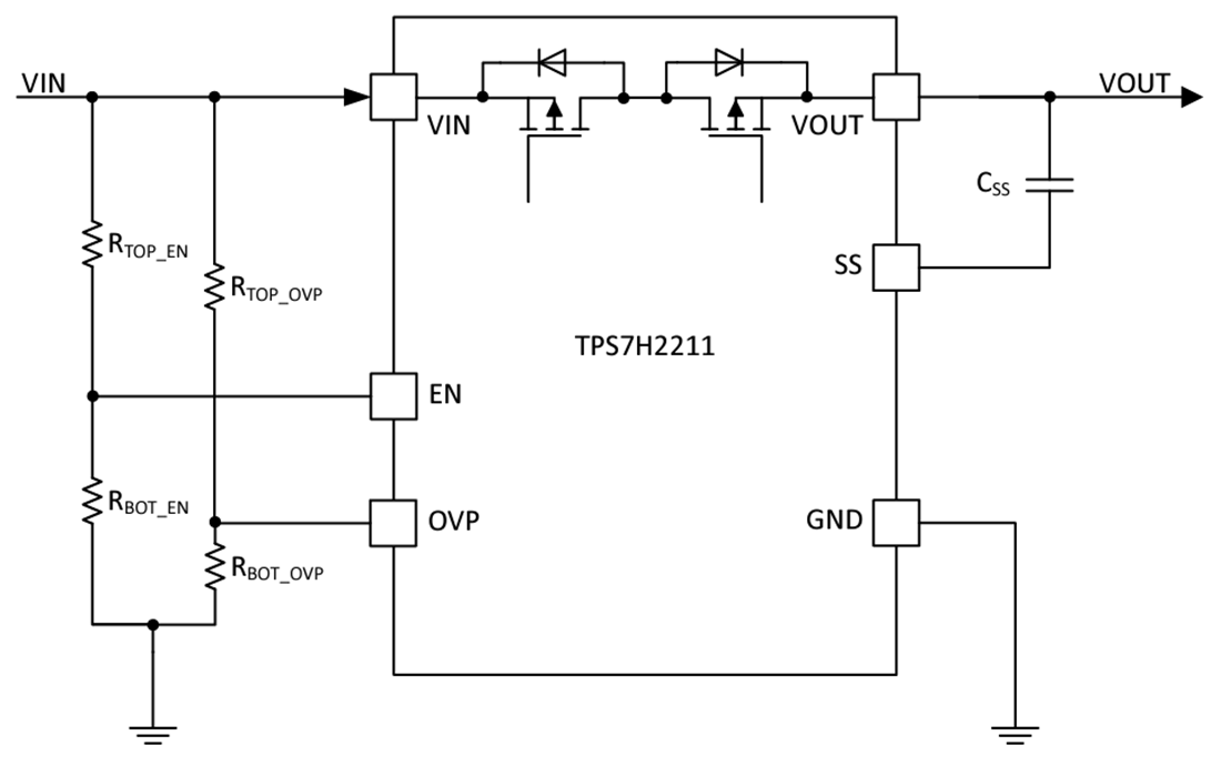
Texas Instruments TPS7H2211 Single Channel eFuse includes an integrated FET load switch with additional features to provide reverse current protection, overvoltage protection, and a configurable rise time to minimize soft start and inrush current. The device contains P-channel MOSFETs that support a maximum continuous current of 3.5A and operate over an input voltage range of 4.5V to 14V.The switch is controlled by an on-and-off input (EN), which can interface directly with low-voltage control signals. Overvoltage protection and soft start can be programmable with a few external components through the OVP and SS pins. The Texas Instruments TPS7H2211 is available in a plastic and ceramic package with an exposed thermal pad, allowing for improved thermal performance.
Features
- Total ionizing dose (TID) characterized to 100krad (Si) with radiation hardness assurance availability of 100krad (Si)
- Single-event effects (SEE) characterized
- Single-event latch-up (SEL), single-event burnout (SEB), and single-event gate rupture (SEGR) immune to linear energy transfer (LET) = 75MeVcm2/mg
- Single-event functional interrupt (SEFI) and single-event transient (SET) characterized to LET = 75MeVcm2/mg
- Integrated single-channel eFuse
- Low on-resistance (RON) of 60mΩ maximum at 25°C and VIN = 12V
- 4.5V to 14V input voltage range
- 3.5A maximum continuous switch current
- Low control input threshold aids in use of 1.2V, 1.8V, 2.5V, and 3.3V logic
- Configurable rise time (soft start)
- Reverse current protection (RCP)
- Overvoltage protection (OVP)
- Internal current limit (fast-trip)
- Thermal shutdown
- Ceramic and plastic package with thermal pad
Applications
- Satellite electrical power system (EPS)
- Cold-sparing power supplies (redundancy)
- Command and data handling
- Communications payload
- Radiation-hardened and tolerant power tree
Additional Resources
Videos
Simplified Schematic
Published: 2024-10-08
| Updated: 2024-10-15
