Texas Instruments TPS92624-Q1 Four-Channel LED Driver

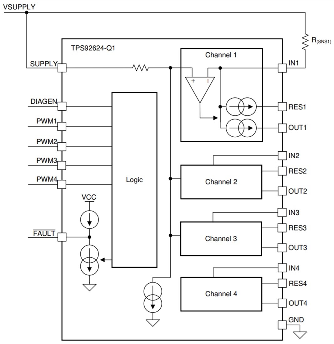
Texas Instruments TPS92624-Q1 Four-Channel LED Driver includes a unique thermal management design to reduce temperature rising on the device. The TPS92624-Q1 is a linear driver powered by automotive batteries with large voltage variations to output full current loads up to 150mA per channel. External shunt resistors are leveraged to share output current and dissipate power out of the driver. The device’s full-diagnostic capabilities include LED open, LED short-to-GND circuit, and device overtemperature protection.

The one-fails–all-fail feature of the Texas Instruments TPS92624-Q1 can work with other LED drivers, such as the TPS9261x-Q1, TPS9262x-Q1 TPS92630/8-Q1, and TPS92830-Q1 devices, to address different requirements.

Features

  • AEC-Q100 qualified for automotive applications
    • Temperature grade 1 (–40°C to 125°C, TA)
  • 4.5V to 40V wide input voltage range
  • Thermal sharing by an external shunt resistor
  • Low supply current in fault mode
  • Four high-precision current regulation
    • Up to 150mA current output for each channel
    • ±5% accuracy over the full temperature range
    • Independent current setting by resistor
    • Independent PWM pin for brightness control
  • Low dropout voltage
    • 600mV for 150mA maximum dropout
  • Diagnostics and protection
    • LED open-circuit with auto-recovery
    • LED short-to-GND with auto-recovery
    • Diagnostic enable with adjustable threshold
    • Fault bus configurable as either one-fails–all-fail or only-failed-channel off (N-1)
    • Thermal shutdown
  • –40°C to 150°C operation junction temperature range

Features

  • Automotive exterior rear light: rear lamp, center high mounted stop lamp, side marker
  • Automotive exterior small light: door handle, blind spot detection indicator, charging inlet
  • Automotive interior light: overhead console, reading lamp
  • General-purpose LED driver applications

Functional Block Diagram

Block Diagram - Texas Instruments TPS92624-Q1 Four-Channel LED Driver
Published: 2022-05-11 | Updated: 2025-03-06