Texas Instruments TPS92691/Q1 Multi-Topology LED Driver

Texas Instruments TPS92691/TPS92691-Q1 Multi-Topology LED Driver is a versatile LED controller that can support a range of step-up or step-down driver topologies. The device implements a fixed-frequency peak current mode control technique with programmable switching frequency, slope compensation, and soft-start timing. It incorporates a high voltage (65V) rail-to-rail current sense amplifier that can directly measure LED current using either a high-side or a low-side series sense resistor. The amplifier is designed to achieve low input offset voltage and attain better than ±3% LED current accuracy. This is done over a junction temperature range of +25°C to +140°C and output common-mode voltage range of 0 to 60V. The TPS92691-Q1 devices are AEC-Q100 qualified for automotive applications.

Features

  • Wide 4.5V to 65V input voltage range
  • Wide 2V to 65V output voltage range
  • Low input offset rail-to-rail current sense amplifier
  • Better than ±3% LED current accuracy over the +25°C to +140°C junction temperature range
  • Compatible with high-side and low-side current sense implementations
  • High-impedance analog LED current adjust input (IADJ) with over 15:1 contrast ratio
  • Over 1000:1 series FET PWM dimming ratio with integrated series N-channel dim driver interface
  • Continuous LED current monitor output for system fault detection and diagnoses
  • Programmable switching frequency with external clock synchronization capability
  • Programmable soft-start and slope compensation
  • Comprehensive fault protection circuitry including VCC Undervoltage Lockout (UVLO), Output Overvoltage Protection (OVP), Cycle-by-Cycle Switch Current Limit, and Thermal protection

Applications

  • Architectural
  • General lighting
  • Automotive (-Q1 only)

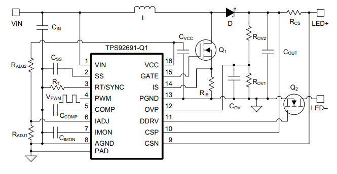
Typical Application Schematic

Schematic - Texas Instruments TPS92691/Q1 Multi-Topology LED Driver

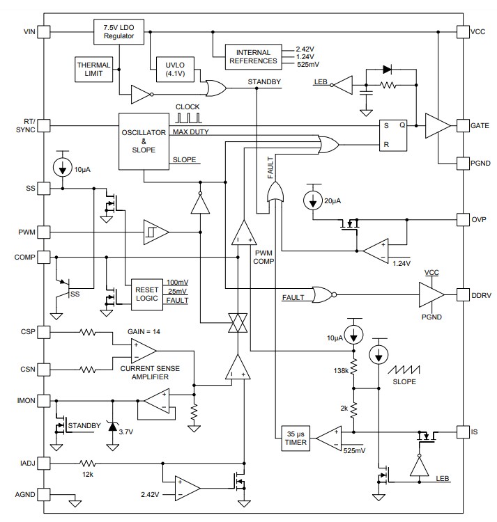
Functional Block Diagram

Block Diagram - Texas Instruments TPS92691/Q1 Multi-Topology LED Driver
Published: 2016-01-12 | Updated: 2022-03-11