Wolfspeed 25W Auxiliary Power Flyback Evaluation Platform

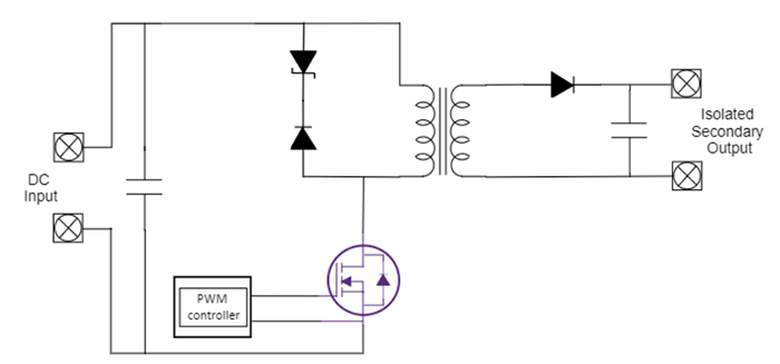
Wolfspeed 25W Auxiliary Power Flyback Evaluation Platform (KIT-CRD-025DD17P-J) demonstrates the use of 1700V silicon carbide (SiC) MOSFETs in a single switch flyback configuration. This Wolfspeed kit, provided in a flexible design, can be used to evaluate and optimize the performance of the flyback converter, SiC MOSFET, and transformer. The utilized C3M00900170x MOSFET family has a wide 12V to 18V operating gate-source voltage range, making the kit an easy and low-cost drop-in compatible with existing Si or SiC single-switch designs. This primary side regulated converter (with auxiliary winding) eliminates the need for an opto-coupler and provides a space- and cost-optimized solution for all industrial applications like solar inverters, EV charging, motor drives, HVAC applications, and more.

Features

  • Fully assembled
  • Utilizes a C3M00900170x MOSFET with a wide 12V to 18V operating gate-source voltage range
  • Wide 60VDC to 1000VDC input voltage range
  • 25W maximum output power
  • 15V regulated output voltage
  • Option to add and use 2x secondary outputs
  • Single switch flyback configuration
  • Easy to use with ample test points
  • High-efficiency
  • Space- and cost-optimized solution

Applications

  • Solar inverters
  • EV charging
  • Motor drives
  • Heat pumps and air conditioning
  • Energy-storage systems

Single-Switch Flyback Topology

Schematic - Wolfspeed 25W Auxiliary Power Flyback Evaluation Platform

Dimensions

Mechanical Drawing - Wolfspeed 25W Auxiliary Power Flyback Evaluation Platform
Published: 2025-08-28 | Updated: 2025-09-02