Wolfspeed 2300V Silicon Carbide Power Modules

Wolfspeed 2300V Silicon Carbide Power Modules are a family of 2300V baseplate-less silicon carbide power modules for 1500V VBUS applications. This addition to the Wolfspeed WolfPACK™ family enables solar, energy storage and mega-watt fast EV charging companies to maximize performance while reducing BoM, production, and maintenance costs of the user's systems.

Features

  • Ultra-low loss
  • High-frequency operation
  • Zero turn-off tail current from MOSFET
  • Normally off, fail-safe device operation
  • Aluminium nitride substrate
  • Optional pre-applied thermal interface material
  • Enables compact, lightweight systems
  • Enables two-level conversion for 1500VDC systems
  • Increased system efficiency due to low switching and conduction losses of SiC
  • Reduced thermal requirements and system cost
  • Gen 4 options available

Applications

  • DC fast chargers
  • Energy storage systems
  • High-efficiency converters/inverters
  • Renewable energy
  • Smart-grid/grid-tied distributed generation
  • Solar inverters

Videos

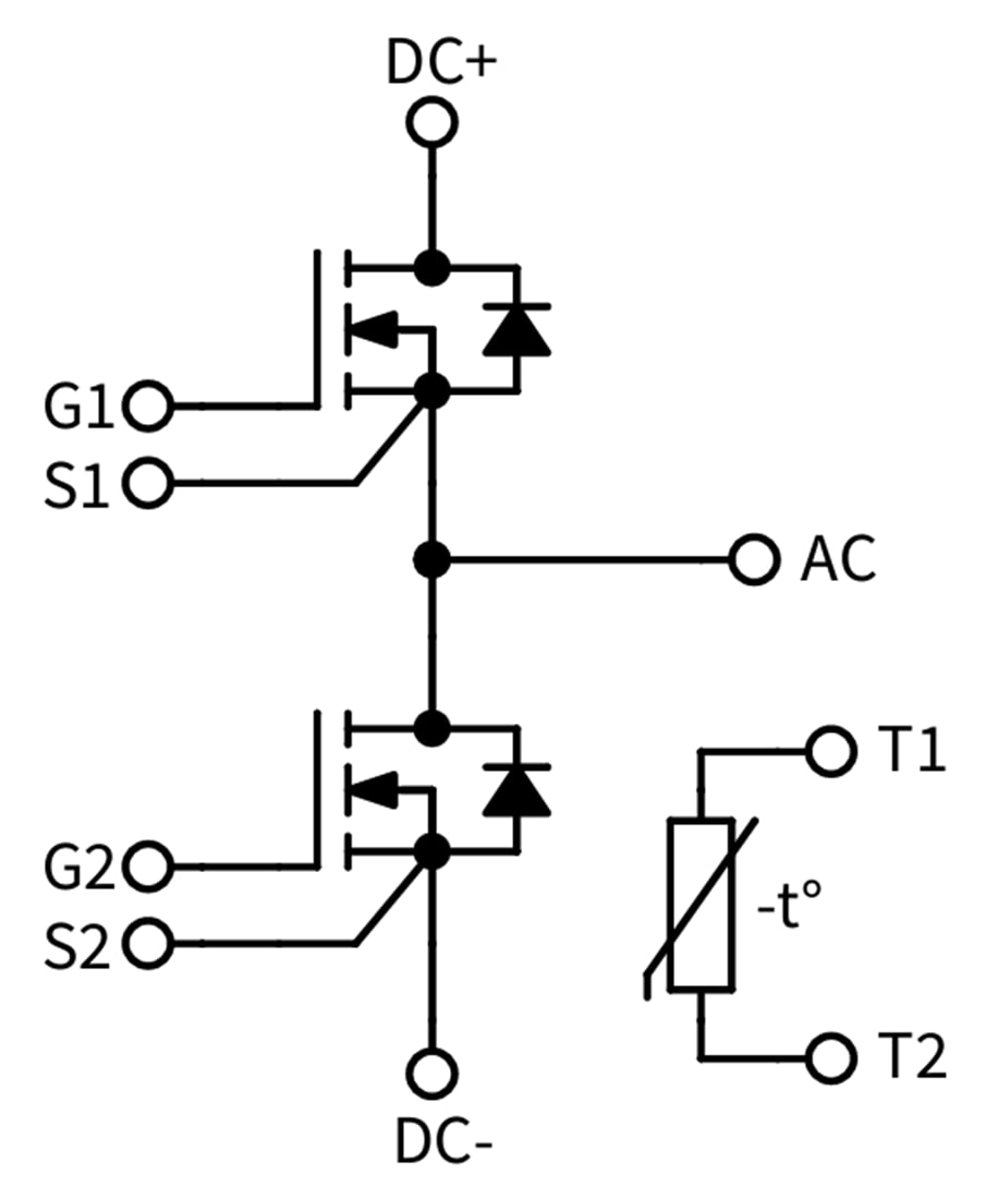
Circuit Diagram

Application Circuit Diagram - Wolfspeed 2300V Silicon Carbide Power Modules
View Results ( 6 ) Page
Part Number Datasheet Description
CAB5R0A23GM4T CAB5R0A23GM4T Datasheet Discrete Semiconductor Modules SiC, Module, 5mohm, 2300V, 48 mm, AlN GM4, Half-Bridge, Industrial, Pre-Applied TIM
CAB6R0A23GM4 CAB6R0A23GM4 Datasheet Discrete Semiconductor Modules SiC, Module, 6mohm, 2300V, 48 mm, AlN GM4, Half-Bridge, Industrial
CAB5R0A23GM4 CAB5R0A23GM4 Datasheet Discrete Semiconductor Modules SiC, Module, 5mohm, 2300V, 48 mm, AlN GM4, Half-Bridge, Industrial
CAB6R0A23GM4T CAB6R0A23GM4T Datasheet Discrete Semiconductor Modules SiC, Module, 6mohm, 2300V, 48 mm, AlN GM4, Half-Bridge, Industrial, Pre-Applied TIM
CAB7R5A23GM4T CAB7R5A23GM4T Datasheet Discrete Semiconductor Modules SiC, Module, 7.5mohm, 2300V, 48 mm, AlN GM4, Half-Bridge, Industrial, Pre-Applied TIM
CAB7R5A23GM4 CAB7R5A23GM4 Datasheet Discrete Semiconductor Modules SiC, Module, 7.5mohm, 2300V, 48 mm, AlN GM4, Half-Bridge, Industrial
Published: 2024-08-29 | Updated: 2025-03-12